SWS-610 –M TENSION LINK LOAD CELL
- Home
- SWS-610 –M TENSION LINK LOAD CELL
SWS-610 –M TENSION LINK LOAD CELL
SWS-610 – M is strain gage based load cell with temperature compensation over 10 to 50C range. It is universal load cell for compression & tension force
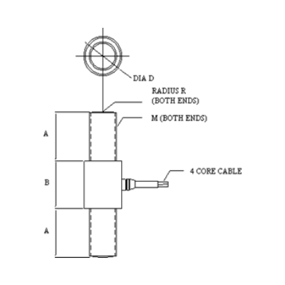
measurements. This rod end dual stud mount cell has male threads at both ends for fixing into the system. It is very use full for in line force measurements. It is constructed from tool steel for toughness & ruggedness. It is sealed for IP65 protection class for environment
Features
1, 2, 5, 7.5, 10, 15, 25, 50, 75, 100,150, 200, 300, 500 TF Capacities available.
High Alloy Tool Steel construction for resistance against shock and overload.
It is light weight and portable.
High Temperature version for foundry applications is available upon request.
Female thread version Model 20610 – F is available.
Can be designed to fit your dimensional needs.
Can be supplied with suitable electronic transmitter, indicator and controller.
High Alloy Tool Steel construction for resistance against shock and overload.
It is light weight and portable.
High Temperature version for foundry applications is available upon request.
Female thread version Model 20610 – F is available.
Can be designed to fit your dimensional needs.
Can be supplied with suitable electronic transmitter, indicator and controller.
Applications
Line tension measurement | Hanging type of weighing |
Force measurement in hydraulic system | Calibration of testing machine |
Extrusion process | Industrial process control |
Performance Specification
| Standard Capacities | 1, 2, 5, 7.5, 10, 15, 25, 50, 75, 100, 150, 200, 300, 500 TF. |
| Excitation Voltage | 10 VDC- Maximum 15 VDC |
| Nominal Output | 2.0 m V/ V |
| Non – Linearity | < ±0.2% FSO |
| Hysteresis | < ±0.2% FSO |
| Non-Repeatability | < ±0.2% FSO |
| Creep (30 minutes) | < ±0.1% FSO |
| Zero Balance | ±1.0% FSO |
| Input Resistance | 775 ± 15 Ohms |
| Output Resistance | 700 ± 3 Ohms |
| Insulation Resistance (50 VDC) | > 1000 Mega Ohms |
| Cable Length (4 Core Screened) | Please See table |
| Safe Overload | 150% of Rated Capacity |
| Ultimate Overload | 200% of Rated Capacity |
| Fatigue Rating | 106 Full cycles |
| Temp. Compensated Range | 0-600C |
| Temperature Effect on Output | < 0.0015% FSO/ 0C |
| Temperature Effect on Zero | < 0.0020% FSO/ 0C |
| Deflection | < 0.4 mm at FSO |
| Finish & Construction | Electroless Nickel Plated Tool Steel |
| Environmental Protection Class | IP65 |